2000 2006 Subaru Sunroof Switch 83341ae01a Subaru Parts Store

2000 2006 Subaru Sunroof Switch 83341ae01a Subaru Parts Store

03 05 How To Repair A Dead Moonroof Motor Subaru Forester Owners Forum

03 05 How To Repair A Dead Moonroof Motor Subaru Forester Owners Forum

Amazon Com Subaru 65450 Fg000 Sunroof Motor Automotive

Amazon Com Subaru 65450 Fg000 Sunroof Motor Automotive

2009 2014 Subaru Sunroof Switch 83341ag000me Subaru Parts Store

2009 2014 Subaru Sunroof Switch 83341ag000me Subaru Parts Store

Car Intelligent Automatically Sunroof Glass Closer Plug And Play For Jeep Renegade Subaru Forester 2013 2018 Xv 2018 2019 Intelligent Window Closer Aliexpress

Car Intelligent Automatically Sunroof Glass Closer Plug And Play For Jeep Renegade Subaru Forester 2013 2018 Xv 2018 2019 Intelligent Window Closer Aliexpress

14 18 Sunroof Wiring Diagram Subaru Forester Owners Forum

14 18 Sunroof Wiring Diagram Subaru Forester Owners Forum

14 18 Sunroof Wiring Diagram Subaru Forester Owners Forum

2011 2015 Subaru Outback Sunroof Motor 47101 10140 Oem For Sale Online Ebay

2011 2015 Subaru Outback Sunroof Motor 47101 10140 Oem For Sale Online Ebay

How To Remove Replace Sunroof In 1991 Subaru Legacy Sedan And Stop Leaking Roof Or Headliner Caverpilot Com

How To Remove Replace Sunroof In 1991 Subaru Legacy Sedan And Stop Leaking Roof Or Headliner Caverpilot Com

2004 2007 Subaru Impreza Wrx Limited Sunroof Moon Roof Assembly Subieautoparts Com

2004 2007 Subaru Impreza Wrx Limited Sunroof Moon Roof Assembly Subieautoparts Com

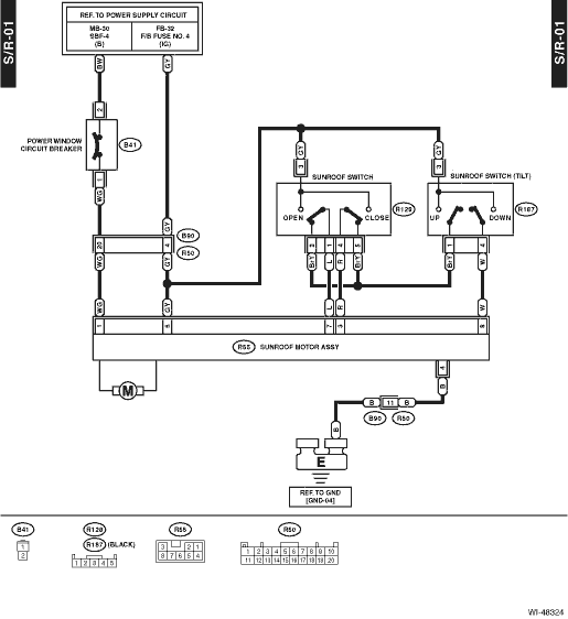
Subaru Crosstrek Service Manual Sunroof Control System Wiring Diagram Wiring System

Subaru Crosstrek Service Manual Sunroof Control System Wiring Diagram Wiring System

10pcs Lot 6 Pin Way Sunroof Anti Theft Horn Switch Plug Connector Socket With Terminal For Volkswagen Audi 4b0971978b Cables Adapters Sockets Aliexpress

10pcs Lot 6 Pin Way Sunroof Anti Theft Horn Switch Plug Connector Socket With Terminal For Volkswagen Audi 4b0971978b Cables Adapters Sockets Aliexpress

5 Sunroof Assembly Subaru Outback Forums

5 Sunroof Assembly Subaru Outback Forums

Exterior Auto Dim Mirrors With Approach Lighting 2014 2015 Subaru Forester Subaru

Exterior Auto Dim Mirrors With Approach Lighting 2014 2015 Subaru Forester Subaru

Genuine Mini 54103448675 Sunroof Motor 54 10 3 448 675

Genuine Mini 54103448675 Sunroof Motor 54 10 3 448 675

Oem Bmw E36 Front Window Or Sunroof Switch Connector Plug Wiring 92 96 318i 325i Ebay

Oem Bmw E36 Front Window Or Sunroof Switch Connector Plug Wiring 92 96 318i 325i Ebay

Electical Issues After Leaving Sunroof Open In Rain Storm Subaru Outback Forums

Electical Issues After Leaving Sunroof Open In Rain Storm Subaru Outback Forums

Subaru Oem 09 13 Forester Steering Power Steering Pump Connector 34431ae030 Ebay

Subaru Oem 09 13 Forester Steering Power Steering Pump Connector 34431ae030 Ebay

Subaru Outback Parts Partsgeek Com

Subaru Outback Parts Partsgeek Com

Moonroof If The Moonroof Cannot Be Closed In Case Of Emergency Subaru Forester Owners Manual Subaru Forester Subarumanuals Org

Moonroof If The Moonroof Cannot Be Closed In Case Of Emergency Subaru Forester Owners Manual Subaru Forester Subarumanuals Org

05 Outback Sunroof Won T Open Subaru Outback Forums

05 Outback Sunroof Won T Open Subaru Outback Forums

Subaru Reference This Reference Contains The Following Information Connector Pinouts Connector Pinouts Pdf Free Download

Subaru Reference This Reference Contains The Following Information Connector Pinouts Connector Pinouts Pdf Free Download

For Vw For Subaru Airbag Connector Plug Clockspring Wire For Mazda For Toyota Auto Parts And Vehicles Other Car Security Equipment Magenta Cl

For Vw For Subaru Airbag Connector Plug Clockspring Wire For Mazda For Toyota Auto Parts And Vehicles Other Car Security Equipment Magenta Cl

Subaru Forester Parts Partsgeek Com

Subaru Forester Parts Partsgeek Com

Asc 800 950 Sunroof Single Pigtail Control Module Shopsar Com

Asc 800 950 Sunroof Single Pigtail Control Module Shopsar Com

Https Encrypted Tbn0 Gstatic Com Images Q Tbn 3aand9gcrajdpto2rrkziztqngpdarvswgcpd65t7wd2asait4nump Gma Usqp Cau

Https Encrypted Tbn0 Gstatic Com Images Q Tbn 3aand9gcrajdpto2rrkziztqngpdarvswgcpd65t7wd2asait4nump Gma Usqp Cau

Audi B8 B8 5 A4 Quattro 2 0t Sunroof Parts Ecs Tuning

Audi B8 B8 5 A4 Quattro 2 0t Sunroof Parts Ecs Tuning

Free Shipping 50sets 6 Pin Car Waterproof Connector Auto Female Replacement Connector Plug Automotive Socket 6189 7100 Car Car Electronics Sockets

Free Shipping 50sets 6 Pin Car Waterproof Connector Auto Female Replacement Connector Plug Automotive Socket 6189 7100 Car Car Electronics Sockets

Winsgo Auto Car Power Sunroof Glass Closer Automatically Close For Subaru Forester 2013 2016 Cables Adapters Sockets Aliexpress

Winsgo Auto Car Power Sunroof Glass Closer Automatically Close For Subaru Forester 2013 2016 Cables Adapters Sockets Aliexpress

Sunroof For 2006 Suzuki Grand Vitara World Oem Parts Subaru

Sunroof For 2006 Suzuki Grand Vitara World Oem Parts Subaru

Iwire Merge Commonly Confused Plugs

Iwire Merge Commonly Confused Plugs

Headlight Bulb Replacement Guide Subaru Impreza Gc8 Amp Rs Forum Amp Community Rs25 Com Headlight Bulb Replacement Headlight Bulbs Headlights

Headlight Bulb Replacement Guide Subaru Impreza Gc8 Amp Rs Forum Amp Community Rs25 Com Headlight Bulb Replacement Headlight Bulbs Headlights

Subaru Sunroof Repair For 9 Detailed With Photos Subaru Legacy Forums

Subaru Sunroof Repair For 9 Detailed With Photos Subaru Legacy Forums

Pack Of 6 Tomall T10 Socket 194 W5w 921 Rubber Replacement Connector 2 Pigtail For Led

Pack Of 6 Tomall T10 Socket 194 W5w 921 Rubber Replacement Connector 2 Pigtail For Led

4 Seat Heater System Subaru Outback Forums

4 Seat Heater System Subaru Outback Forums

2020 Subaru Impreza 2 0i S Video Review Gay Car Boys

2020 Subaru Impreza 2 0i S Video Review Gay Car Boys

Subaru Forester Sg Service Manual Repair Manual

Subaru Forester Sg Service Manual Repair Manual

Subaru Forester Accessories Parts Carid Com

Subaru Forester Accessories Parts Carid Com

Universal Travel Power Plug Adapter Eu Euro Us To Au Adaptor Converter Ac Power Plug Adaptor Connector Yesterday S Price Us 5 Accessories Parts Plugs

Universal Travel Power Plug Adapter Eu Euro Us To Au Adaptor Converter Ac Power Plug Adaptor Connector Yesterday S Price Us 5 Accessories Parts Plugs

1998 2001 Subaru Impreza 2 5 Rs Gc8 Dome Light Sunroof Switches Oem Subieautoparts Com

1998 2001 Subaru Impreza 2 5 Rs Gc8 Dome Light Sunroof Switches Oem Subieautoparts Com

2019 Subaru Crosstrek Nhtsa

2019 Subaru Crosstrek Nhtsa

2021 Subaru Forester Prices Reviews Pictures Kelley Blue Book

2021 Subaru Forester Prices Reviews Pictures Kelley Blue Book

Subaru Recalls A List Of Recalls On Various Model Outback Crosstrek Forester Impreza Legacy Wrx Sti Brz Legacy Tribeca Xv Crosstrek Baja

Subaru Recalls A List Of Recalls On Various Model Outback Crosstrek Forester Impreza Legacy Wrx Sti Brz Legacy Tribeca Xv Crosstrek Baja

Amazon Com Facet Engine Oil Pressure Switch 7 0017 Compatible With Oem Acura 37240634671 Daewoo Ford Honda Hyundai Isuzu Kia 9475042000 Mazda Mitsubishi Nissan Subaru Toyota Automotive

Amazon Com Facet Engine Oil Pressure Switch 7 0017 Compatible With Oem Acura 37240634671 Daewoo Ford Honda Hyundai Isuzu Kia 9475042000 Mazda Mitsubishi Nissan Subaru Toyota Automotive

Car Truck Led Light Bulbs Auto Parts And Vehicles 5202 H16 2504 Ps24w Female Connector Wiring Pigtail Harness For Fog Light Subaru Hairli Hr

Car Truck Led Light Bulbs Auto Parts And Vehicles 5202 H16 2504 Ps24w Female Connector Wiring Pigtail Harness For Fog Light Subaru Hairli Hr

Subaru Legacy Overview Cargurus

Subaru Legacy Overview Cargurus

Subaru Impreza Part Accessories Aftermarket Performance Parts

Subaru Impreza Part Accessories Aftermarket Performance Parts

All New 2019 Subaru Forester Interior Features And Seating Options Subaru

All New 2019 Subaru Forester Interior Features And Seating Options Subaru

Used 2017 Subaru Forester Values Cars For Sale Kelley Blue Book

Used 2017 Subaru Forester Values Cars For Sale Kelley Blue Book

Longyue 10pcs Nissan S13 180sx Kouki Type X Front Bumper Lamp Light Connector Socket Pigtail 8 Lamp Light Light Accessories Bumpers

Longyue 10pcs Nissan S13 180sx Kouki Type X Front Bumper Lamp Light Connector Socket Pigtail 8 Lamp Light Light Accessories Bumpers

Https Encrypted Tbn0 Gstatic Com Images Q Tbn 3aand9gcs41ve5egb9k2xcwn3vzcmsujxli17 Ytxnywaqfwfbyb9vlse9 Usqp Cau

Https Encrypted Tbn0 Gstatic Com Images Q Tbn 3aand9gcs41ve5egb9k2xcwn3vzcmsujxli17 Ytxnywaqfwfbyb9vlse9 Usqp Cau

Source : pinterest.com